МП 1

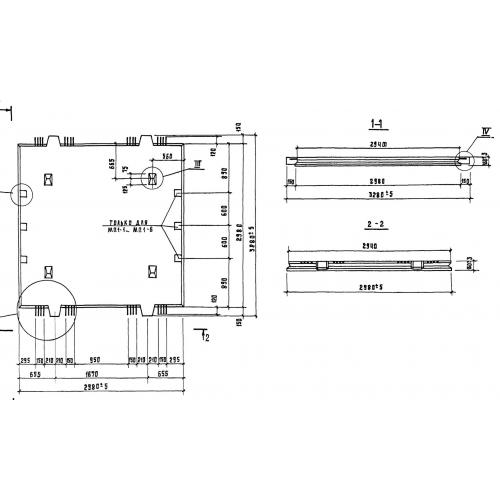
Чертеж изделия:
Характеристики изделия:
ПараметрЗначение
длина2980 мм
ширина3280 мм
высота160 мм
масса3500 кг
нормативный документГОСТ 27108-86

МП 1  Межколонные плиты ГОСТ 27108-86.