Ф 16.5

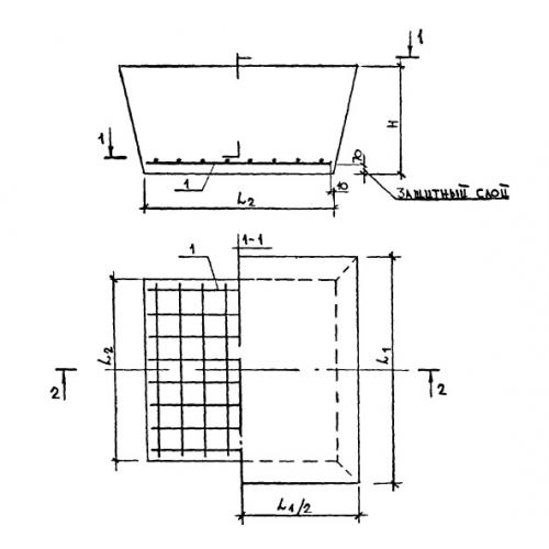
Чертеж изделия:
Характеристики изделия:
ПараметрЗначение
длина1800 мм
ширина1500 мм
высота750 мм
масса5100 кг
нормативный документСерия 1.090.1-1

Ф 16.5 Фундаменты Серия 1.090.1-1.