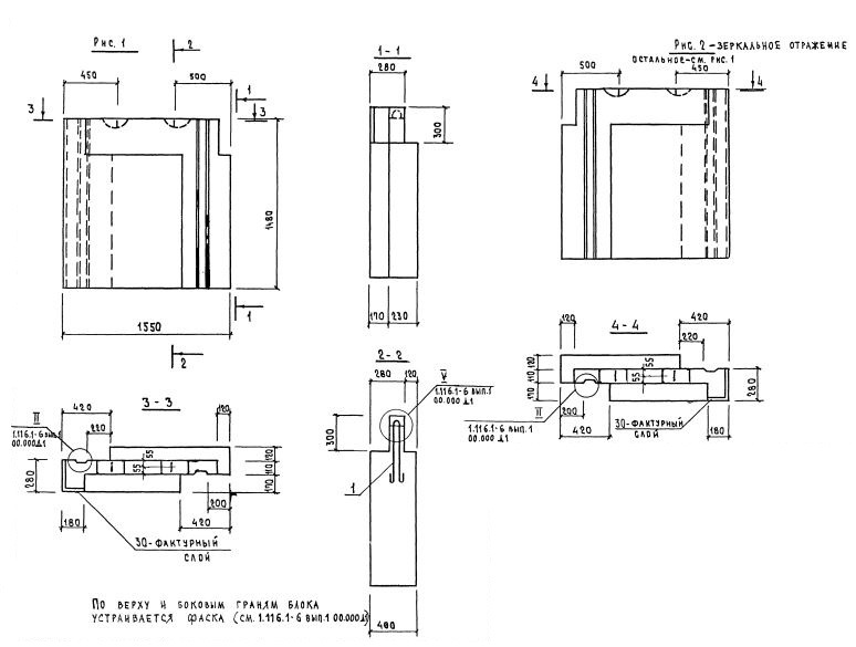
СБ 7,5-16.15.40-Т-2

Чертеж изделия:
Характеристики изделия:
ПараметрЗначение
длина1550 мм
ширина400 мм
высота1480 мм
масса1550 кг
нормативный документСерия 1.116.1-6

Цокольные блоки толщиной 35, 45, 55 см  (Серия 1.116.1-6).

СБ 7,5-16.15.40-Т-2  (рис.1)

СБ - тип блока -  стеновые блоки наружных стен.

7 - цокольный блок.

1 (цифра после запятой) обозначение положения блока в плане: 1- рядовой, 2, 3-угловой, 5 - блок лоджий.

Группа цифр, разделенных точками, обозначает габариты изделия в дециметрах с округлением (длина, высота, толщина).

Т - тяжелый бетон на пористых заполнителях.

Последний цифровой индекс указывает на дополнительные факторы (1- симетричный, 2- несимметричный левый, 3 - несимметричный правый, наличие оконного (1) или дверного проема (2)).