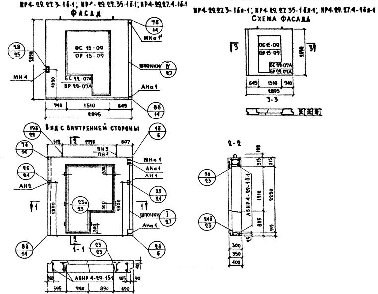
НР4-29.27.3-1б-1

Чертеж изделия:
Характеристики изделия:
ПараметрЗначение
Длина2895 мм
Ширина300 мм
Высота2650 мм
Масса2160 кг
Нормативный документСерия 1.132-1

НР4-29.27.3-1б-1   Наружная стеновая панель рядовая по Серии 1.132-1.