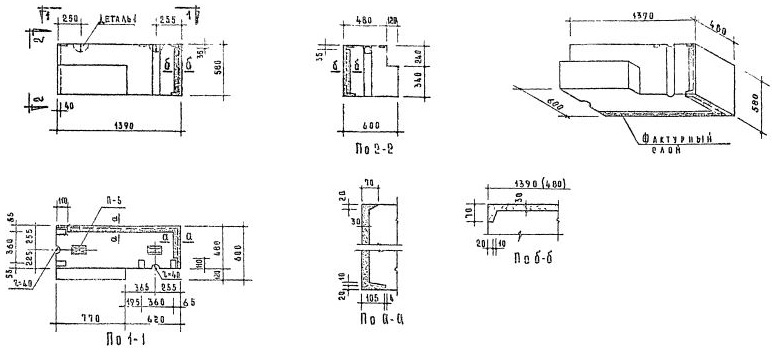
НБУ-14.6.6л

Чертеж изделия:
Характеристики изделия:
ПараметрЗначение
Длина1390 мм
Ширина600 мм
Высота580 мм
Масса815 кг
Нормативный документСерия 1.133-1

Стеновые легкобетонные блоки толщиной 60 см по Серии 1.133-1.

НБУ-14.6.6л   Поясной блок угловой.