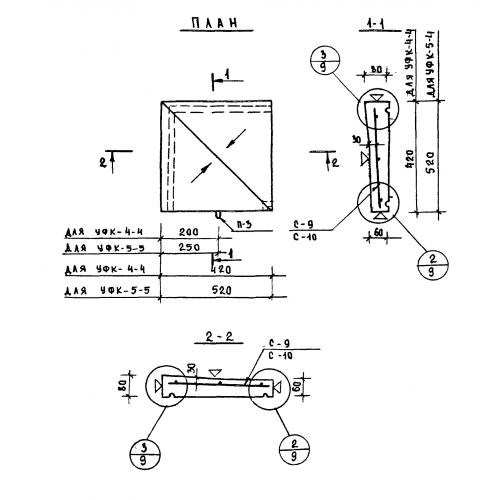
УФК 4-4
Характеристики изделия:
| Параметр | Значение |
|---|---|
| длина | 420 мм |
| ширина | 420 мм |
| высота | 80 мм |
| вес | 30 кг |
| серия | 1.269-1 |
Цена:
Рассчитать стоимостьУФК 4-4 Фризовые камни угловые по серии 1.269-1.
| Параметр | Значение |
|---|---|
| длина | 420 мм |
| ширина | 420 мм |
| высота | 80 мм |
| вес | 30 кг |
| серия | 1.269-1 |
УФК 4-4 Фризовые камни угловые по серии 1.269-1.
