ПП 9

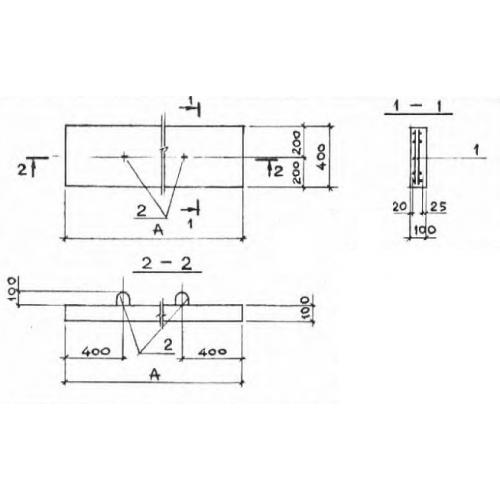
Чертеж изделия:
Характеристики изделия:
ПараметрЗначение
длина3000 мм
ширина400 мм
высота100 мм
вес300 кг
серия3.006-2

ПП 9 Плиты перекрытия лотков по серии 3.006-2.