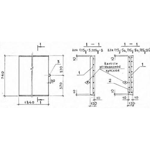
П 15д

Чертеж изделия:
Характеристики изделия:
ПараметрЗначение
длина740 мм
ширина1840 мм
высота120 мм
вес410 кг
серия3.006-2

П 15д Плиты перекрытия лотков доборные по серии 3.006-2.