П 21

Чертеж изделия:
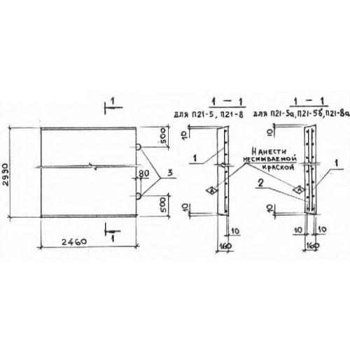
Характеристики изделия:
ПараметрЗначение
длина2990 мм
ширина2460 мм
высота160 мм
вес2940 кг
серия3.006-2

П 21 Плиты перекрытия лотков по серии 3.006-2.