П 15 д плиты лотков

Чертеж изделия:
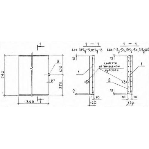
Характеристики изделия:
ПараметрЗначение
длина740 мм
ширина1840 мм
высота120 мм
масса410 кг
нормативный документСерия 3.006.1-2/87

П 15д Плиты перекрытия лотков доборные Серия 3.006.1-2/87.