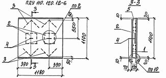
ПДУ 110.120.12 плиты днища

Чертеж изделия:
Характеристики изделия:
ПараметрЗначение
длина1180 мм
ширина1100 мм
высота120 мм
масса389 кг
нормативный документСерия 3.006.1-8

ПДУ 110.120.12  Плиты днища каналов угловые Серия 3.006.1-8.