КЦД 10

Чертеж изделия:
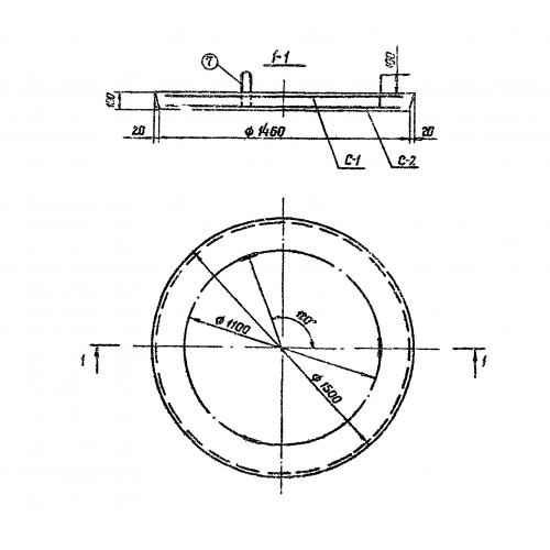
Характеристики изделия:
ПараметрЗначение
длина1500 мм
ширина1500 мм
высота100 мм
вес425 кг
серия3.820-9

КЦД 10 Плиты днища колодцев по серии 3.820-9.