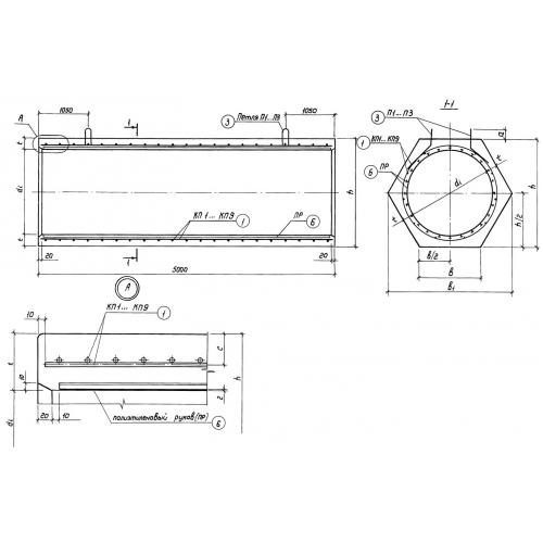
ТНП 50.50

Чертеж изделия:
Характеристики изделия:
ПараметрЗначение
длина5000 мм
ширина740 мм
высота640 мм
вес1980 кг
серия3.802.1-76

ТНП 50.50 Трубы напорные с полимерным покрытием по серии 3.802.1-76.