УБКм 1020

Чертеж изделия:
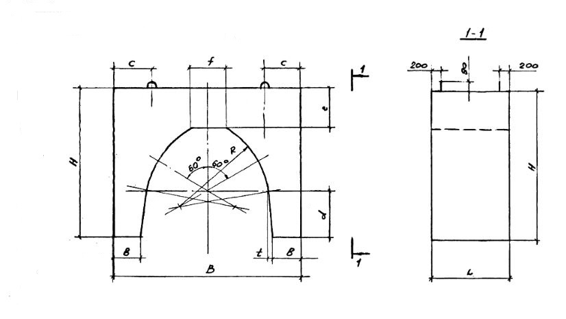
Характеристики изделия:
ПараметрЗначение
длина900 мм
ширина1940 мм
высота1370 мм
вес3580 кг
серияТП 10418

УБКм 1020 Утяжелители железобетонные болотные клиновидные для балластировки трубопроводов. Типовой проект 10418.